car parts for dealers universal auto relay JD1914 70A vehicle high current relay

Relay Features:
40A switching capability
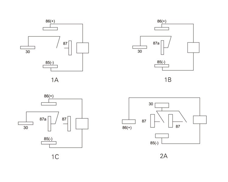
1 form A,I form B,1 form C,
1 form U,2 form A contact form
Various mounting terminations available
Sealed IP67 and dust cover types available
Outline dimensions: 28.0 X28.0X25.0
Contact Form | 1C |
| Contact Material | AgSno2 |
| Max. Operating Current | 40A |
| Max. Operating Voltage | 27VDC |
| Insulation Resistance | 100MΩ |
| Rated Load(Resistive load) | 1A:40A 13.5VDC 20A 27VDC 1C:NO/NC 40A/30A 13.5VDC 20A/15A 27VDC |
| Dielectric Strength(Coil and Contact) | 500VAC |
| Ambient Temperature | -40°C~+85°C |
| Operate/Release Time | 10ms/10ms |
| Mechanical Life | 1 X106 |
| Electrical Life(min) | 1 X105 |
| Terminal Type | Terminal |
Coil Ratings:
| Normal voltage(VDC) | Pick-up voltage(VDC) | Drop-out voltage(VDC) | Coil resistance(Q±10%) | Parallel resistance(Q±5%) | Equivalent resistance(Q±10%) | Power consumption(W) | Max. allowable overdrive voltage(VDC) | |
| 20鈩?/span> | 85鈩?/span> | |||||||
| 12 | 8.4 | 1.2 | 90 | - | - | 1.6 | 20.2 | 15.7 |
| 12 | 8.4 | 1.2 | 80 | 680 | 79.5 | 1.8 | 20.2 | 15.7 |
| 24 | 16.8 | 2.4 | 360 | - | - | 1.6 | 40.5 | 31.5 |
| 24 | 16.8 | 2.4 | 320 | 2700 | 317.6 | 1.8 | 40.5 | 31.5 |
External Dimension:

Remark:(1)In case of no tolerance shown in outline dimension: outline dimension≤1mm, tolerance should be ±0.2mm;
Outline dimension>1mm and≤5mm, tolerance should be ±0.3mm; outline dimension>5mm,
tolerance should be ±0.4mm.






Q1. What is your terms of packing?
A: Generally, we pack our goods in neutral white boxes and brown cartons. If you have legally registered patent,
we can pack the goods in your branded boxes after getting your authorization letters.
Q2. What is your terms of payment?
A: T/T 30% as deposit, and 70% before delivery. We'll show you the photos of the products and packages
before you pay the balance.
Q3. What is your terms of delivery?
A: EXW, FOB, CFR, CIF, DDU.
Q4. How about your delivery time?
A: Generally, it will take 30 to 60 days after receiving your advance payment. The specific delivery time depends
on the items and the quantity of your order.
Q5. Can you produce according to the samples?
A: Yes, we can produce by your samples or technical drawings. We can build the molds and fixtures.
Q6. What is your sample policy?
A: We can supply the sample if we have ready parts in stock, but the customers have to pay the sample cost and
the courier cost.
Q7. Do you test all your goods before delivery?
A: Yes, we have 100% test before delivery
Q8: How do you make our business long-term and good relationship?
A:1. We keep good quality and competitive price to ensure our customers benefit ;
2. We respect every customer as our friend and we sincerely do business and make friends with them,
no matter where they come from.

Related Product Tags:
contactor , contactors , dc contactor , fan relay , horn relay , relay assembly , relay assy , relay relay , quicke relay , power relay jqx , scania relay , relay t73 jqc , relay t90 jqx , relay rp series , relay socket , relays , mw relay , klixon type relay